Zum Inhalt wechseln


Foto

Singer 624/9000 linke Bettführung und Links-Links-S Anleitung


  • Bitte melde dich an um zu Antworten
Keine Antworten in diesem Thema

#1 fipse

fipse

    Gerade reingestolpert

  • Mitglieder
  • 1 Beiträge

Geschrieben 23.01.2023 - 23:03

Hallo Leute,

 

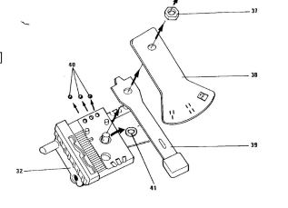
Ich bin aufgrund von Bruch auf der Suche nach der linken Kunststoff-Bettführung vom Vorderbett(32) sowie dem Blechteil vom Bettversatzhebel (den mit den drei Stellungen- 39)

singer.jpg

 

 

Weiters suche ich nach der Anleitung für den Links-Links-Schlitten sowie die dazugehörigen Memo-Folien(U,V,W,X,Y,Z)

 

wäre super, wenn jemand etwas hätte!

 

-fipse


Bearbeitet von fipse, 23.01.2023 - 23:04.





Impressum  |  Datenschutzerklärung